For tracking your order, you will need your order number and email address.
You can track your order by visiting the order tracking page here.
Order Status Tracking
There are no custom taxes for European and United Kingdom customers
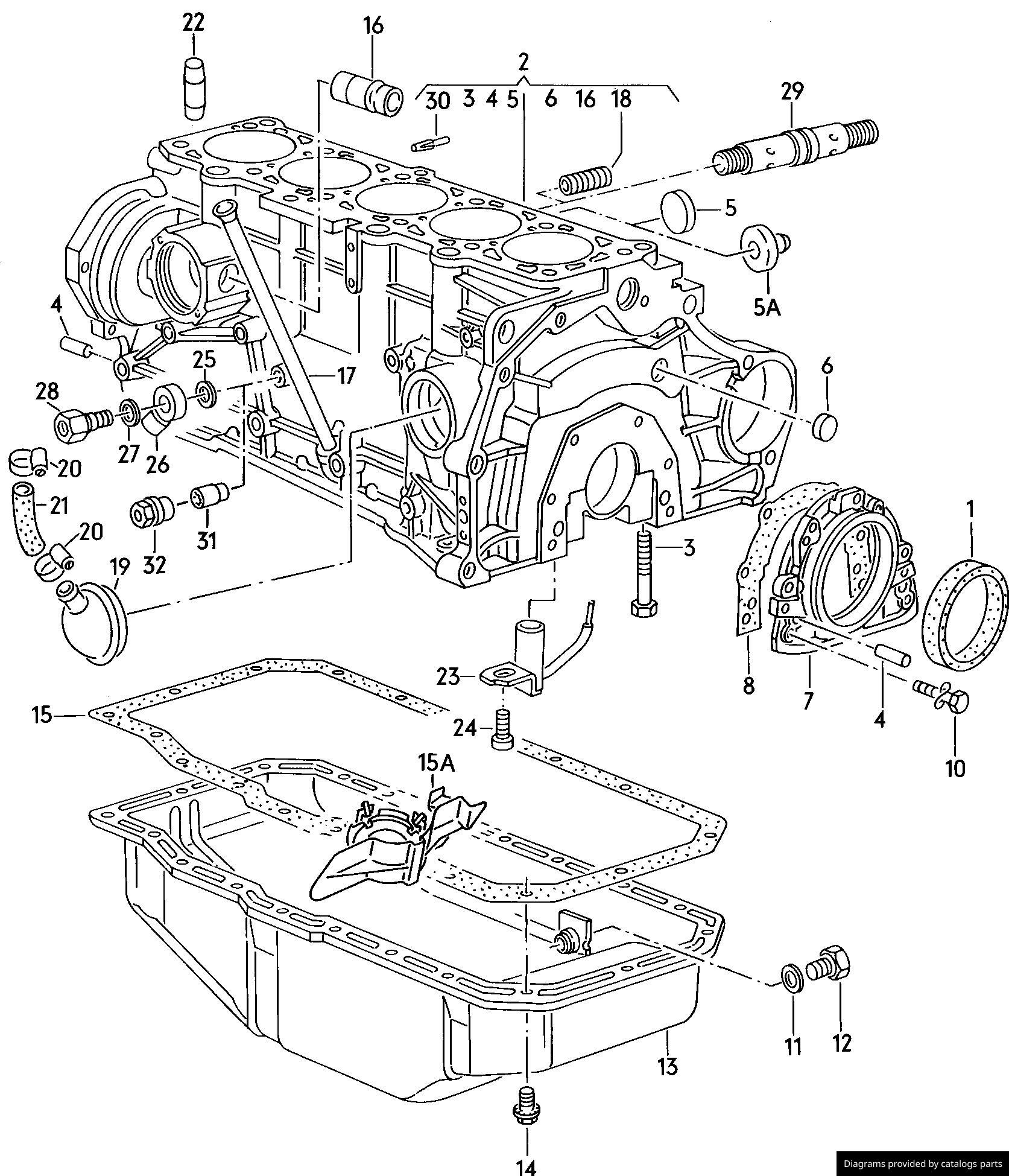
| No | Part code | Price | Title | Note | Req. quant. | Model |
| cylinder block with pistons oil sump | JY,KG,KH,KU, WC,MC | |||||
| 1 | Discont. / replace: | 068 103 171 F | ||||
| 2 | 034103101S | cylinder block with pistons also use: | 054 103 634 | 1 1 | KU | |
| 054103634 | tube for oil dipstick | 1 | AAR | |||
| 2 | 034103101C | cylinder block with pistons | 1 | MC | ||
| 2 | 035103101S | cylinder block with pistons | 1 | JY | ||
| 3 | N 90130001 | From £2.32 | Hexagon bolt | M10X80 | 12 | |
| 4 | N 0432072 | From £0.33 | Cylinder pin | 8X14 | 4 | |
| 5 | 059103113 | End cap | 36,6 | 5 | KU,WC | |
| 5 | 059103113 | End cap F >> 44-E-300 000 | 36,6 | 5 | JY,KG,KH | |
| 5 | 059103113 | End cap F 44-F-000 001>> | 36,6 | 4 | JY,KG,KH,MC | |
| 5 | 035103111B | From £19.34 | Connector union F 44-F-000 001>> | 36,6MM | 1 | KG,JY,KH,MC |
| 6 | N 0119033 | End cap | 16 | 1 | ||
| 7 | 068103171F | From £150.55 | Sealing flange | rear | 1 | |
| 8 | 026103181B | From £6.08 | Seal | 1 | ||
| 10 | N 01021612 | From £0.30 | Hexagon bolt also use: | M6X18 N 012 226 5 | 6 6 | |
| N 0122265 | From £0.14 | Spring washer | 6 | X | ||
| 11 | N 0138492 | From £1.74 | seal ring | 14X20 | 1 | |
| 12 | N 90288901 | From £2.38 | oil drain plug | M14X1,5X16 | 1 | |
| 13 | 054103601A | Engine oil sump | 1 | |||
| 14 | N 90008401 | From £1.11 | Hex collared bolt | M6X14 | 24 | |
| 15 | 054103609 | gasket for oil sump | 1 | |||
| 15 | 034115221A | Surge lock | 1 | KG,KU,KH,JY, MC | ||
| 16 | 034121137 | Connector union | 1 | |||
| 17 | 035103635 | tube for oil dipstick | 1 | |||
| 18 | 059115721 | From £10.20 | threaded union | 1 | ||
| 19 | 054103129A | breather assy. | 1 | KG,JY,KH,KU | ||
| 19 | 054103129 | breather assy. | 1 | MC | ||
| 20 | N 90561801 | From £2.19 | Clamp | 16-28X9X0,5 | 2 | JY,KG,KH,KU |
| 20 | N 0245077 | Clamp | 32-50X9X0,5 | 1 | MC | |
| 20 | N 10258101 | From £2.19 | Clamp | AL23-35 | 1 | MC |
| 21 | 035103221F | Vent hose or | A17,5X3,5X440 034 103 221 D | 1 1 | JY,KG,KH,KU, MC MC | |
| 034103221D | Vent hose | 1 | MC | |||
| 22 | 026103139 | From £3.29 | Cylinder pin | 6M6X20 | 2 | JY,KG,KH,KU, MC |
| 23 | 035103157B | oil spray jet | 5 | KG,JY,KH | ||
| 23 | 069103157D | From £25.59 | oil spray jet | 5 | MC | |
| 24 | N 0147506 | Socket head bolt with hexagon socket head also use: | M6X10 N 011 524 23 | 5 5 | JY,KG,KH,MC | |
| 25 | N 0138085 | From £1.74 | seal ring | 10X16 | 1 | KG,JY |
| 26 | 035103717 | Banjo fitting | 1 | KG,JY | ||
| 27 | N 0138182 | From £0.73 | seal ring | 12X16 | 1 | JY,KG |
| 28 | 035103715 | From £26.49 | Banjo bolt | 1 | KG,JY | |
| 29 | 035115443 | Securing pin | 1 | KG,JY,KH | ||
| 30 | No longer available | |||||
| 31 | 077103175B | From £29.51 | Valve | 1 | MC | |
| 32 | 034103179 | Adapter | 1 | MC | ||
| 034198011C | Gasket set for cylinder block | 1 |
We got a general fitment information table, which can help you identify if the part will fit your car or not. Also, you can leave your VIN/Chassis during checkout, so our team will verify the fitment for you. If you already paid for your order and the part will not fit your vehicle, we will issue you an instant refund.
At LLLparts.co.uk, you can quickly place an order. After you find the part you need, please select one of the warehouses and add it to your cart.
After that, proceed to checkout, fill in the required shipping information, select the shipping method, and you can place your order.
In some cases, when the item has no weight, we will need to calculate the shipping price individually. Usually, we sum it within 10 minutes during our working hours, and if we are not working, you will receive an email notification.
Our team of professionals will always help you to find the correct and required parts for your car. If you can't find the parts you need, don't hesitate to get in touch with us by email at support@lllparts.co.uk or use our Live chat option and we will be happy to help you.
For tracking your order, you will need your order number and email address.
You can track your order by visiting the order tracking page here.
Order Status Tracking
The car's vehicle identification number (VIN) is the identifying code for a SPECIFIC automobile. The VIN serves as the car's fingerprint, as no two vehicles in operation have the same VIN. A VIN is composed of 17 characters (digits and capital letters) that act as a unique identifier for the vehicle. A VIN displays the car's unique features, specifications and manufacturer. The VIN can be used to track recalls, registrations, warranty claims, thefts and insurance coverage.
Double-check to make sure that you have the right VIN and have copied it down correctly. Once you have verified that the VIN is definitely less than 17 characters, the VIN is most likely from a pre-1981 vehicle. Prior to 1981, VINs varied in length from 11 to 17 characters.
The VIN can be found by looking at the dashboard on the driver's side of the vehicle. The easiest way to view it is to stand outside the vehicle on the driver's side and look at the corner of the dashboard where it meets the windshield. If the VIN cannot be found there, open the driver's side door and look at the door post (where the door latches when it is closed). It is likely that the VIN will also be displayed in this location. See the image below:

While the UK has left the EU, we want to assure you that all UK orders are being shipped swiftly from our UK warehouse. Our prices remain the same, and your order will be delivered with local VAT and any import duties pre-paid. When you shop at LLLparts.co.uk, the price you see is the total price you'll pay. No customs taxes or duties will be applied.
We are shipping orders to the whole EU using DPD, Economy Post, LLLparts.co.uk has multiple warehouses in Europe to ensure that your package will be delivered within stated delivery times at our online store. No customs taxes or duties will be applied.
Shipping orders using DHL or Economy postage. The shipping price varies on your country and the item size and weight. In some cases, we are calculating shipping price individually.